المسامير النحاسية المجوفة

المسامير النحاسية المجوفة

عادة ما تكون المسامير النحاسية المجوفة مصنوعة من أنابيب النحاس. الأنابيب النحاسية صلبة، وليس من السهل أن تتآكل، ومقاومة لدرجة الحرارة العالية والضغط العالي. ويمكن استخدامها في مجموعة متنوعة من البيئات. وفي الوقت نفسه، فهي أسهل في الثني والالتواء والتشقق والكسر من المعادن العادية. Nuote Metals هي شركة متخصصة في تصنيع المسامير النحاسية المجوفة في الصين، ونحن في هذه الصناعة منذ أكثر من 10 سنوات.

إرسال استفسار

وصف المنتج

مقدمة من المسامير النحاسية المجوفة


المسامير النحاسية المجوفة (المعروفة أيضًا باسمالمسامير المجوفة النحاسية أوالمسامير العيينة) تُستخدم بشكل شائع في الملابس والإلكترونيات والأجهزة الكهربائية والأحذية وحقائب اليد والأحزمة والملابس للتثبيت والديكور والتثبيت والثقب. تتطلب المسامير النحاسية المجوفة إعادة التثبيت وتستخدم لربط قطع العمل الثقيلة، والتي غالبًا ما تكون هياكل غير قابلة للفصل. تستخدم المسامير النحاسية المجوفة على نطاق واسع. يتم تصنيع هذه المسامير المجوفة النحاسية ذات الأطراف الأصغر من أنابيب صلبة ويمكنها اختراق الألواح الفولاذية التي يصل سمكها إلى 0.5 مم دون حفر مسبق. إنها مقاومة للانحناء والتشوه وتستخدم بشكل شائع في الخزائن.


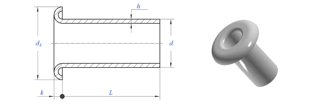
رسم برشام مجوف من النحاس:


معلمة المسامير المجوفة النحاسية (المواصفات)


مادة

النحاس

المعالجة السطحية

تنظيف وطلاء بالنيكل والزنك والذهب والشظية حسب الطلب

شهادة

متوافقة مع بنفايات

قطر عرقوب

0.8-10 ملم

تسامح

+/-0.05 ملم

طلب

 مناسبة للاستخدام في مختلف الصناعات، بما في ذلكالسيارات والفضاء,الأجهزة الكهربائية والإلكترونية، إلخ.

ضبط الجودة

يضمن فحص المجموعة الكاملة بنسبة 100% من خلال الإنتاج أن كل منتج يلبي معايير ISO، مما يضمن منتجات عالية الجودة.



ميزة وتطبيقات المسامير المجوفة النحاسية


تستخدم المسامير المجوفة النحاسية في مجموعة متنوعة من الصناعات. في مجال الإلكترونيات، تقوم بتوصيل الأسلاك أو المكونات، مع الاستفادة من موصليتها الكهربائية لضمان نقل الإشارة. وفي صناعة السيارات، يتم استخدامها للمكونات الداخلية أو البناء خفيف الوزن، حيث يمكن تركيبها بسرعة وبدون لحام. في الأدوات المنزلية مثل الأثاث أو العناصر الزخرفية، توفر المسامير النحاسية وصلات موثوقة وجذابة من الناحية الجمالية. وتشمل التطبيقات الأخرى الألعاب، والإضاءة، ومشاريع DIY، حيث يكون الوزن الخفيف ومقاومة التآكل مفيدًا.


تفاصيل إنتاج المسامير المجوفة النحاسية


معلومات التعبئة

التعليمات:


Q1: ما هو موك الخاص بك للمسامير المجوفة النحاسية؟

موك للمسامير هو 20,000 قطعة.


Q2: هل يمكنك تصميم التصميم باستخدام الرسم لدينا؟

نعم، معظم المسامير المجوفة النحاسية لدينا مصنوعة خصيصًا وفقًا لرسم العميل.


Q3: هل يمكنك تقديم عينات مجانية من المسامير المجوفة النحاسية؟

يمكننا تقديم عينات مجانية للحجم الموجود لدينا في المخزون، ولكن العملاء سيدفعون الرسوم السريعة.


س 4: ما هو وقت التسليم الخاص بك؟

حجم المسامير المتوفرة في المخزون: 3-5 أيام، المسامير غير القياسية: 15-25 يومًا. سنقوم بالتسليم في أقرب وقت ممكن مع ضمان الجودة.


س 5: نوعية المنتجات الخاصة بك؟

تمتلك الشركة معدات إنتاج واختبار متقدمة. سيتم فحص كل المنتجات بنسبة 100% من قبل قسم مراقبة الجودة لدينا قبل الشحن.


س 6: لماذا نختار تقنية Nuote؟

1. نحن نحترم شروط العميل لحماية مشاريع خصوصية العملاء.

2. جودة عالية وبأسعار جذابة

3. مهلة سريعة

4. صفقة سعيدة وصدق للعملاء والشريك

5. إعلان مبيعات احترافي يرد على استفسارك خلال 8 ساعات.

6. تُباع منتجات وخدمات Nuote إلى أكثر من 70 دولة تتمتع بسمعة طيبة





الكلمات الساخنة: مورد المسامير النحاسية المجوفة، المسامير النحاسية المجوفة بالجملة، الشركة المصنعة للمسامير النحاسية الصناعية
الفئة ذات الصلة
إرسال استفسار
لا تتردد في تقديم استفسارك في النموذج أدناه. سوف نقوم بالرد عليك خلال 24 ساعة.
X
نحن نستخدم ملفات تعريف الارتباط لنقدم لك تجربة تصفح أفضل، وتحليل حركة مرور الموقع، وتخصيص المحتوى. باستخدام هذا الموقع، فإنك توافق على استخدامنا لملفات تعريف الارتباط. سياسة الخصوصية