الثقوب النحاسية
  • الثقوب النحاسية الثقوب النحاسية

الثقوب النحاسية

قامت شركة Nuote Metals بتصنيع ثقوب نحاسية لأكثر من 10 سنوات، ونحن موجودون في دونغقوان، الصين. الثقوب النحاسية مصنوعة من مادة النحاس مما يجعلها قوية وخفيفة الوزن ومتينة بما يكفي لتحمل التآكل والتمزق العادي دون الصدأ على الإطلاق. يمكننا صنع أداة جديدة للثقوب في غضون 10 أيام لإعداد عينة سريعة.

إرسال استفسار

وصف المنتج

مقدمة من الثقوب النحاسية


الثقوب النحاسية مقاومة للتآكل. يمكن استخدامها لأغراض الزينة والعملية لإضافة رؤية اعتمادًا على مكان استخدامها. يتمثل الدور الرئيسي للثقوب النحاسية في تعزيز الثقوب وحماية المواد من التآكل الناتج عن الحواف الخشنة لهذه الثقوب.


الثقوب النحاسية


brass eyelets

عرض تطبيق الثقوب النحاسية:



brass eyelets

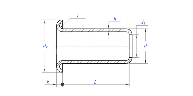
معلمة المنتج (المواصفات)


مادة

النحاس

المعالجة السطحية

تنظيف، طلاء الزنك، طلاء النيكل، طلاء الفضة، حسب الطلب

شهادة

متوافقة مع بنفايات

قطر عرقوب

0.8-10 ملم

تسامح

+/-0.05 ملم

طلب

 مناسبة للاستخدام في مختلف الصناعات، بما في ذلكالسيارات والفضاء والكهرباء والإلكترونيات، وما إلى ذلك.

ضبط الجودة

يضمن فحص المجموعة الكاملة بنسبة 100% من خلال الإنتاج أن كل منتج يلبي معايير ISO، مما يضمن منتجات عالية الجودة.



ميزة المنتج والتطبيق


الثقوب النحاسية سهلة الاستخدام، ولها تصميم متين، ومصنوعة من مادة نحاسية عالية الجودة. نظرًا لخفة وزنها، فهي أرخص بكثير من أدوات التثبيت الأخرى، ويوفر النحاس مقاومة أقوى للتآكل، والمتانة، والقابلية للتشكيل، والجماليات من النحاس النقي، وغالبًا ما تستخدم الثقوب النحاسية في المنسوجات والصفائح المعدنية والمواد الليفية المختلفة.


تفاصيل إنتاج الثقوب النحاسية


brass eyelets

معلومات التعبئة


brass eyelets


التعليمات:


Q1: ما هو موك الخاص بك للثقوب النحاسية؟

موك للمسامير هو 20,000 قطعة.


Q2: هل يمكنك تصميم التصميم باستخدام الرسم لدينا؟

نعم، معظم المسامير الأنبوبية لدينا مصممة خصيصًا وفقًا لرسومات العميل.


Q3: هل يمكنك تقديم عينات مجانية من المسامير المجوفة؟

يمكننا تقديم عينات مجانية للحجم الموجود لدينا في المخزون، ولكن العملاء سيدفعون الرسوم السريعة.


س 4: ما هو وقت التسليم الخاص بك؟

حجم المسامير المتوفرة في المخزون: 3-5 أيام، المسامير غير القياسية: 15-25 يومًا. سنقوم بالتسليم في أقرب وقت ممكن مع ضمان الجودة.


س 5: نوعية المنتجات الخاصة بك؟

تمتلك الشركة معدات إنتاج واختبار متقدمة. سيتم فحص كل المنتجات بنسبة 100% من قبل قسم مراقبة الجودة لدينا قبل الشحن.


س 6: لماذا نختار تقنية Nuote؟

1. نحن نحترم شروط العميل لحماية مشاريع خصوصية العملاء.

2. جودة عالية وبأسعار جذابة

3. مهلة سريعة

4. صفقة سعيدة وصدق للعملاء والشريك

5. إعلان مبيعات احترافي يرد على استفسارك خلال 8 ساعات.

6. تُباع منتجات وخدمات Nuote إلى أكثر من 70 دولة تتمتع بسمعة طيبة




الكلمات الساخنة: الثقوب النحاسية
الفئة ذات الصلة
إرسال استفسار
لا تتردد في تقديم استفسارك في النموذج أدناه. سوف نقوم بالرد عليك خلال 24 ساعة.
X
نحن نستخدم ملفات تعريف الارتباط لنقدم لك تجربة تصفح أفضل، وتحليل حركة مرور الموقع، وتخصيص المحتوى. باستخدام هذا الموقع، فإنك توافق على استخدامنا لملفات تعريف الارتباط. سياسة الخصوصية