ثقوب الخيمة

ثقوب الخيمة

نحن Nuote Metals من دونغقوان الصين. يقوم مصنعنا بتصنيع ثقوب خيمة قوية للاستخدام الخارجي. لقد صنعنا ثقوبًا للخيمة لسنوات عديدة. ثقوب الخيمة الخاصة بنا مصنوعة من مواد جيدة. نحن نستخدم الفولاذ المقاوم للصدأ والنحاس الذي لا يصدأ. نصنع ثقوبًا للخيمة بأحجام مختلفة. بعضها صغير للخيام الخفيفة. بعضها كبير للخيام الثقيلة. يتم فحص كل ثقب في الخيمة من قبل عمالنا. يتأكدون من أن كل ثقب في الخيمة مثالي. تشتري العديد من شركات التخييم ثقوب الخيمة الخاصة بنا. إنهم يحبون الجودة الجيدة والسعر العادل.

إرسال استفسار

وصف المنتج

مقدمة ثقوب الخيمة

ثقوب الخيمة عبارة عن حلقات معدنية للخيام. يتم وضعها على قماش الخيمة. تمر الحبال والأعمدة عبر فتحات الخيمة هذه. ثقوب الخيمة تجعل الخيمة قوية ومستقرة. تمنع نسيج الخيمة من التمزق بفعل الرياح. يمكن أن تستمر ثقوب الخيمة الجيدة لسنوات عديدة. حتى في المطر والشمس، فإنها لا تنكسر. تركيب ثقوب الخيمة يحتاج إلى آلة خاصة. تقوم الآلة بضغط ثقب الخيمة داخل القماش. ثم يبقى ثقب الخيمة هناك بثبات.



معلمة ثقوب الخيمة (المواصفات)



مادة النحاس، الصلب، الألومنيوم، الفولاذ المقاوم للصدأ، النحاس
المعالجة السطحية تنظيف، طلاء الزنك، طلاء النيكل، طلاء الفضة، حسب الطلب
شهادة متوافقة مع بنفايات
قطر عرقوب 0.8-10 ملم
تسامح +/-0.05 ملم
طلب مناسبة للاستخدام في مختلف الصناعات، بما في ذلك السيارات والفضاء والكهرباء والإلكترونيات، إلخ.
ضبط الجودة يضمن فحص المجموعة الكاملة بنسبة 100% من خلال الإنتاج أن كل منتج يلبي معايير ISO، مما يضمن منتجات عالية الجودة.


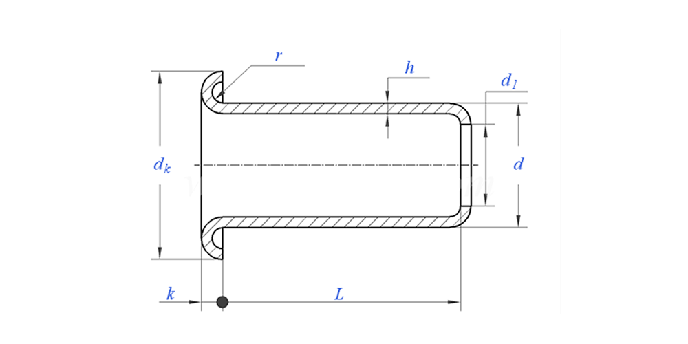
رسم ثقوب الخيمة على النحو التالي:

عرض التطبيق:


ميزة وتطبيق ثقوب الخيمة

يتم استخدام ثقوب الخيمة بعدة طرق. تحتاج جميع خيام التخييم إلى ثقوب للخيمة. تستخدم الخيام العائلية الكبيرة العديد من ثقوب الخيام. تستخدم خيام الظل الخارجية ثقوب الخيمة أيضًا. تحتوي بعض الحقائب على فتحات للربط. يستخدم القماش المشمع ثقوب الخيمة لربطها. حتى بعض المعدات الرياضية تحتاج إلى ثقوب للخيمة. تساعد ثقوب الخيمة على جعل المعدات الخارجية آمنة ومتينة. هذا هو السبب في أن ثقوب الخيمة ذات الجودة العالية مهمة بالنسبة للمنتجات الخارجية. يثق عملاؤنا في ثقوب الخيمة الخاصة بنا لتلبية احتياجات التخييم الخاصة بهم.


تفاصيل إنتاج العيينة الملابس

معلومات التعبئة

التعليمات:

Q1: ما هو موك الخاص بك لثقوب الخيمة؟

موك للمسامير هو 20,000 قطعة.


Q2: هل يمكنك تصميم التصميم باستخدام الرسم لدينا؟

نعم، معظم المسامير الأنبوبية لدينا مصممة خصيصًا وفقًا لرسومات العميل.


Q3: هل يمكنك تقديم عينات مجانية من المسامير المجوفة؟

يمكننا تقديم عينات مجانية للحجم الموجود لدينا في المخزون، ولكن العملاء سيدفعون الرسوم السريعة.


س 4: ما هو وقت التسليم الخاص بك؟

حجم المسامير المتوفرة في المخزون: 3-5 أيام، المسامير غير القياسية: 15-25 يومًا. سنقوم بالتسليم في أقرب وقت ممكن مع ضمان الجودة.


س 5: نوعية المنتجات الخاصة بك؟

تمتلك الشركة معدات إنتاج واختبار متقدمة. سيتم فحص كل المنتجات بنسبة 100% من قبل قسم مراقبة الجودة لدينا قبل الشحن.


س 6: لماذا نختار تقنية Nuote؟

1. نحن نحترم شروط العميل لحماية مشاريع خصوصية العملاء.

2. جودة عالية وبأسعار جذابة

3. مهلة سريعة

4. صفقة سعيدة وصدق للعملاء والشريك

5. إعلان مبيعات احترافي يرد على استفسارك خلال 8 ساعات.

6. تُباع منتجات وخدمات Nuote إلى أكثر من 70 دولة تتمتع بسمعة طيبة


الكلمات الساخنة: ثقوب الخيمة، ثقوب الخيمة المصنعة، ثقوب الخيمة الصينية
الفئة ذات الصلة
إرسال استفسار
لا تتردد في تقديم استفسارك في النموذج أدناه. سوف نقوم بالرد عليك خلال 24 ساعة.
X
نحن نستخدم ملفات تعريف الارتباط لنقدم لك تجربة تصفح أفضل، وتحليل حركة مرور الموقع، وتخصيص المحتوى. باستخدام هذا الموقع، فإنك توافق على استخدامنا لملفات تعريف الارتباط. سياسة الخصوصية