فتحات الأحذية

فتحات الأحذية

نحن نصنع ثقوب الأحذية في مصنعنا في دونغقوان، الصين. الثقوب عبارة عن حلقات معدنية صغيرة، ويمكنك رؤيتها على الأحذية للأربطة. ويطلق عليهم أيضًا اسم الحلقات. نحن نجعلها قوية حتى لا تنكسر عند شد الأربطة بقوة. ثقوب الأحذية لدينا مصنوعة من معادن مختلفة، مثل النحاس والألومنيوم والفولاذ المقاوم للصدأ. ويمكن صنعها بألوان مختلفة لتناسب جميع أنواع الأحذية.

إرسال استفسار

وصف المنتج

المهمة الرئيسية لثقوب الأحذية هي حماية الحذاء. عند سحب الأربطة، تقوم الحلقة المعدنية بتحمل الضغط بدلاً من مادة الحذاء. هذا يمنع الثقوب من أن تصبح أكبر أو تمزق. تعمل فتحات الحذاء الجيدة أيضًا على تسهيل تمرير الأربطة من خلالها. تساعدك على ربط حذائك بسرعة دون أن تعلق الأربطة.


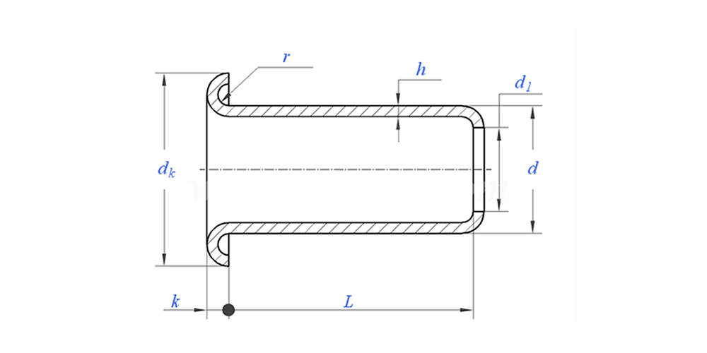
رسم ثقوب الأحذية على النحو التالي:

معلمة فتحات الحذاء (المواصفات)



مادة النحاس، الصلب، الألومنيوم، الفولاذ المقاوم للصدأ، النحاس
المعالجة السطحية تنظيف، طلاء الزنك، طلاء النيكل، طلاء الفضة، حسب الطلب
شهادة متوافقة مع بنفايات
قطر عرقوب 0.8-10 ملم
تسامح +/-0.05 ملم
طلب مناسبة للاستخدام في مختلف الصناعات، بما في ذلك السيارات والفضاء والكهرباء والإلكترونيات، إلخ.
ضبط الجودة يضمن فحص المجموعة الكاملة بنسبة 100% من خلال الإنتاج أن كل منتج يلبي معايير ISO، مما يضمن منتجات عالية الجودة.



عرض التطبيق:



ميزة الثقوب الأحذية والتطبيق

ترى ثقوب الأحذية على كل حذاء تقريبًا بأربطة. تحتاج الأحذية المدرسية للأطفال إلى أن تدوم خلال اللعب الخشن. تستخدمها أحذية الجري لمساعدة الرياضيين في الحصول على ملاءمة آمنة. حتى الأحذية الجلدية الفاخرة تحتوي على ثقوب للأحذية، على الرغم من أنها تجعلها تبدو أكثر زخرفية في بعض الأحيان. وبدون هذه الحلقات المعدنية الصغيرة، فإن أحذيتنا سوف تبلى بشكل أسرع بكثير وسيكون من الصعب ارتداؤها.


تفاصيل إنتاج العيينة المعدنية

معلومات التعبئة

التعليمات:

Q1: ما هو موك الخاص بك للعيينة الأحذية؟

موك للمسامير هو 20,000 قطعة.


Q2: هل يمكنك تصميم التصميم باستخدام الرسم لدينا؟

نعم، معظم المسامير الأنبوبية لدينا مصممة خصيصًا وفقًا لرسومات العميل.


Q3: هل يمكنك تقديم عينات مجانية من المسامير المجوفة؟

يمكننا تقديم عينات مجانية للحجم الموجود لدينا في المخزون، ولكن العملاء سيدفعون الرسوم السريعة.


س 4: ما هو وقت التسليم الخاص بك؟

حجم المسامير المتوفرة في المخزون: 3-5 أيام، المسامير غير القياسية: 15-25 يومًا. سنقوم بالتسليم في أقرب وقت ممكن مع ضمان الجودة.


س 5: نوعية المنتجات الخاصة بك؟

تمتلك الشركة معدات إنتاج واختبار متقدمة. سيتم فحص كل المنتجات بنسبة 100% من قبل قسم مراقبة الجودة لدينا قبل الشحن.


س 6: لماذا نختار تقنية Nuote؟

1. نحن نحترم شروط العميل لحماية مشاريع خصوصية العملاء.

2. جودة عالية وبأسعار جذابة

3. مهلة سريعة

4. صفقة سعيدة وصدق للعملاء والشريك

5. إعلان مبيعات احترافي يرد على استفسارك خلال 8 ساعات.

6. تُباع منتجات وخدمات Nuote إلى أكثر من 70 دولة تتمتع بسمعة طيبة


الكلمات الساخنة: ثقوب الأحذية، ثقوب الأحذية في الصين، الشركة المصنعة لثقوب الأحذية
الفئة ذات الصلة
إرسال استفسار
لا تتردد في تقديم استفسارك في النموذج أدناه. سوف نقوم بالرد عليك خلال 24 ساعة.
X
نحن نستخدم ملفات تعريف الارتباط لنقدم لك تجربة تصفح أفضل، وتحليل حركة مرور الموقع، وتخصيص المحتوى. باستخدام هذا الموقع، فإنك توافق على استخدامنا لملفات تعريف الارتباط. سياسة الخصوصية