ثقوب علبة الزيت

ثقوب علبة الزيت

ثقوب علب الزيت المصنوعة من الفولاذ المقاوم للصدأ هي حلقات صغيرة خاصة تستخدم في علب الزيت. تم تسميتها لاستخدامها الكلاسيكي في علب الزيت التقليدية. تنتج شركة Nuote Metals في دونغقوان بالصين ثقوبًا موثوقة لعلب الزيت من الفولاذ المقاوم للصدأ بأحجام مختلفة.

إرسال استفسار

وصف المنتج

مقدمة من الثقوب المصنوعة من الفولاذ المقاوم للصدأ لعلب الزيت

فتحات علبة الزيت هذه مصنوعة من قطعة واحدة من الفولاذ المقاوم للصدأ. وهذا يجعلها قوية ومقاومة للصدأ، وهو أمر مهم جدًا للاستخدام طويل الأمد. يتضمن التصميم مركزًا مجوفًا وأخدودًا مُشكل مسبقًا. يسهل هذا الأخدود تجعيد ثقوب علبة الزيت بشكل آمن في فتحة الصفائح المعدنية دون بذل الكثير من الجهد. التثبيت سريع، مما يخلق ختمًا محكمًا ودائمًا.


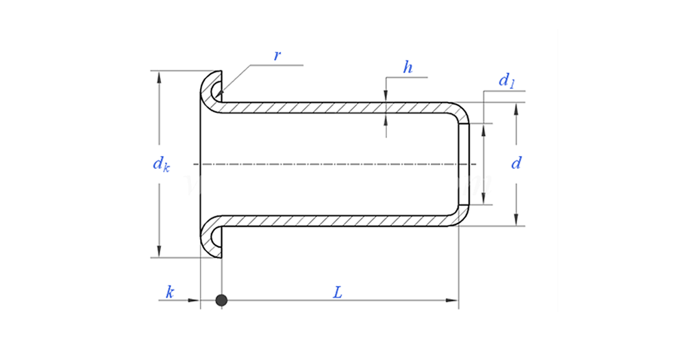
ثقوب من الفولاذ المقاوم للصدأ لرسم الأوليكان على النحو التالي:

عرض تطبيق ثقوب علبة الزيت:

معلمة المنتج (المواصفات)


مادة الفولاذ المقاوم للصدأ 304
المعالجة السطحية تنظيف، طلاء الزنك، طلاء النيكل، طلاء الفضة، حسب الطلب
شهادة متوافقة مع بنفايات
قطر عرقوب 0.8-10 ملم
تسامح +/-0.05 ملم
طلب مناسبة للاستخدام في مختلف الصناعات، بما في ذلك السيارات والفضاء والكهرباء والإلكترونيات، إلخ.
ضبط الجودة

يضمن فحص المجموعة الكاملة بنسبة 100% من خلال الإنتاج أن كل منتج يلبي معايير ISO، مما يضمن منتجات عالية الجودة.


ميزة المنتج والتطبيق

سوف تجد ثقوب علب الزيت هذه في الأماكن التي تشتد الحاجة إليها: على فوهة علبة الزيت. إنها تخلق ثقبًا سلسًا ومعززًا لتدفق الزيت من خلاله. هذا الجزء البسيط يجعل استخدام العلبة أسهل وأنظف. كما أنه يجعل الصنبور أقوى بكثير، لذلك لن يبلى بسهولة. بدون ثقب جيد لعلبة الزيت، يمكن أن تصبح الحافة المعدنية خشنة وتسبب التسربات. ولهذا السبب يعد هذا الجزء الصغير مهمًا جدًا لعلبة زيت يمكن الاعتماد عليها.


تفاصيل إنتاج فتحات علبة الزيت

معلومات التعبئة


التعليمات:

Q1: ما هو موك الخاص بك لثقوب علبة الزيت؟

موك للمسامير هو 20,000 قطعة.


Q2: هل يمكنك تصميم التصميم باستخدام الرسم لدينا؟

نعم، معظم المسامير الأنبوبية لدينا مصممة خصيصًا وفقًا لرسومات العميل.


Q3: هل يمكنك تقديم عينات مجانية من المسامير المجوفة؟

يمكننا تقديم عينات مجانية للحجم الموجود لدينا في المخزون، ولكن العملاء سيدفعون الرسوم السريعة.


س 4: ما هو وقت التسليم الخاص بك؟

حجم المسامير المتوفرة في المخزون: 3-5 أيام، المسامير غير القياسية: 15-25 يومًا. سنقوم بالتسليم في أقرب وقت ممكن مع ضمان الجودة.


س 5: نوعية المنتجات الخاصة بك؟

تمتلك الشركة معدات إنتاج واختبار متقدمة. سيتم فحص كل المنتجات بنسبة 100% من قبل قسم مراقبة الجودة لدينا قبل الشحن.


س 6: لماذا نختار تقنية Nuote؟

1. نحن نحترم شروط العميل لحماية مشاريع خصوصية العملاء.

2. جودة عالية وبأسعار جذابة

3. مهلة سريعة

4. صفقة سعيدة وصدق للعملاء والشريك

5. إعلان مبيعات احترافي يرد على استفسارك خلال 8 ساعات.

6. تُباع منتجات وخدمات Nuote إلى أكثر من 70 دولة تتمتع بسمعة طيبة





الكلمات الساخنة: ثقوب علب الزيت، ثقوب لعلب الزيت، ثقوب من الفولاذ المقاوم للصدأ لعلب الزيت
إرسال استفسار
لا تتردد في تقديم استفسارك في النموذج أدناه. سوف نقوم بالرد عليك خلال 24 ساعة.
X
نحن نستخدم ملفات تعريف الارتباط لنقدم لك تجربة تصفح أفضل، وتحليل حركة مرور الموقع، وتخصيص المحتوى. باستخدام هذا الموقع، فإنك توافق على استخدامنا لملفات تعريف الارتباط. سياسة الخصوصية