الثقوب المعدنية

الثقوب المعدنية

من المحتمل أنك رأيت ثقوبًا معدنية عدة مرات دون أن تلاحظها. إنها تلك الحلقات المعدنية الصغيرة التي تعزز الثقوب في جميع أنواع المنتجات. قد تبدو الثقب المعدني بسيطًا، ولكنها مصممة لحل مشكلة شائعة: منع الثقوب من التمزق أو التآكل. سواء كان ذلك في حذائك أو حقيبة ظهرك، فإن هذا المكون الصغير يعمل بجد لجعل الأشياء تدوم لفترة أطول.

إرسال استفسار

وصف المنتج

مقدمة من العيينة المعدنية

إن وضع ثقب معدني أمر بسيط للغاية. يمكنك وضع الجزء الرئيسي من خلال المادة، ثم الضغط على قطعة الغسالة الموجودة في الخلف. يمكن للأدوات الخاصة القيام بذلك بسرعة، ولكن حتى الأدوات البسيطة تعمل بشكل جيد. إن الشيء الرائع في الثقب المعدني هو كيفية حماية المواد المحيطة بالثقب من التآكل، مما يحافظ على كل شيء أنيقًا وقويًا.


عرض تطبيق العيينة المعدنية:

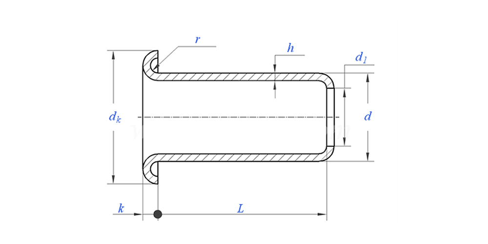
رسم العيينة المعدنية على النحو التالي:


معلمة الثقوب المعدنية (المواصفات)



مادة النحاس، الصلب، الألومنيوم، الفولاذ المقاوم للصدأ، النحاس
المعالجة السطحية تنظيف، طلاء الزنك، طلاء النيكل، طلاء الفضة، حسب الطلب
شهادة متوافقة مع بنفايات
قطر عرقوب 0.8-10 ملم
تسامح +/-0.05 ملم
طلب مناسبة للاستخدام في مختلف الصناعات، بما في ذلك السيارات والفضاء والكهرباء والإلكترونيات، إلخ.
ضبط الجودة يضمن فحص المجموعة الكاملة بنسبة 100% من خلال الإنتاج أن كل منتج يلبي معايير ISO، مما يضمن منتجات عالية الجودة.



ميزة الثقوب المعدنية والتطبيق

سوف تتفاجأ بعدد الأماكن التي يمكنك أن تجد فيها ثقوبًا معدنية تعمل بجد. إنها السبب في عدم تمزق فتحات رباط حذائك بعد الاستخدام المتكرر. في المعدات الخارجية مثل الخيام والأشرعة، تتحمل الثقوب المعدنية الظروف الجوية القاسية دون أن تفشل. كما أنها ضرورية في البيئات الصناعية، حيث تساعد في تنظيم الكابلات والأسلاك. أينما كان هناك ثقب يحتاج إلى الحماية، فمن المرجح أن تجد ثقبًا معدنيًا يقوم بعمله.


تفاصيل إنتاج العيينة المعدنية

معلومات التعبئة

التعليمات:

Q1: ما هو موك الخاص بك للعيينة المعدنية؟

موك للمسامير هو 20,000 قطعة.


Q2: هل يمكنك تصميم التصميم باستخدام الرسم لدينا؟

نعم، معظم المسامير الأنبوبية لدينا مصممة خصيصًا وفقًا لرسومات العميل.


Q3: هل يمكنك تقديم عينات مجانية من المسامير المجوفة؟

يمكننا تقديم عينات مجانية للحجم الموجود لدينا في المخزون، ولكن العملاء سيدفعون الرسوم السريعة.


س 4: ما هو وقت التسليم الخاص بك؟

حجم المسامير المتوفرة في المخزون: 3-5 أيام، المسامير غير القياسية: 15-25 يومًا. سنقوم بالتسليم في أقرب وقت ممكن مع ضمان الجودة.


س 5: نوعية المنتجات الخاصة بك؟

تمتلك الشركة معدات إنتاج واختبار متقدمة. سيتم فحص كل المنتجات بنسبة 100% من قبل قسم مراقبة الجودة لدينا قبل الشحن.


س 6: لماذا نختار تقنية Nuote؟

1. نحن نحترم شروط العميل لحماية مشاريع خصوصية العملاء.

2. جودة عالية وبأسعار جذابة

3. مهلة سريعة

4. صفقة سعيدة وصدق للعملاء والشريك

5. إعلان مبيعات احترافي يرد على استفسارك خلال 8 ساعات.

6. تُباع منتجات وخدمات Nuote إلى أكثر من 70 دولة تتمتع بسمعة طيبة


الكلمات الساخنة: الثقوب المعدنية، الثقوب المعدنية الصين، مصنع الثقوب المعدنية
الفئة ذات الصلة
إرسال استفسار
لا تتردد في تقديم استفسارك في النموذج أدناه. سوف نقوم بالرد عليك خلال 24 ساعة.
X
نحن نستخدم ملفات تعريف الارتباط لنقدم لك تجربة تصفح أفضل، وتحليل حركة مرور الموقع، وتخصيص المحتوى. باستخدام هذا الموقع، فإنك توافق على استخدامنا لملفات تعريف الارتباط. سياسة الخصوصية