برشام العيينة

برشام العيينة

برشام العيينة هو قفل صغير ولكنه مفيد. وهو على شكل أنبوب قصير وغالباً ما يكون مصنوعاً من النحاس أو الفولاذ. عند التثبيت، يتم توسيع ذيل البرشام لربط المواد معًا بشكل آمن. تنتج العديد من الشركات حول العالم هذه المكونات الموثوقة. Nuote Metals ومقرها في دونغقوان، الصين، هي شركة مصنعة معروفة للمسامير ذات الجودة العالية.

إرسال استفسار

وصف المنتج

مقدمة من برشام العيينة

يعمل برشام العيينة عن طريق إنشاء رابطة قوية ودائمة بين المواد. على عكس البرشام الصلب، فهو يحتوي على مركز مجوف. هذا الثقب يجعل برشام العيينة خفيف الوزن. ويمكنه أيضًا السماح للأسلاك أو الكابلات الصغيرة بالمرور. إن وضع برشام العيينة في مكانه أمر سريع وسهل. ولهذا السبب ترغب العديد من المصانع في استخدامه.


معلمة برشام العيينة (المواصفات)

مادة النحاس، الصلب، الألومنيوم، الفولاذ المقاوم للصدأ، النحاس
المعالجة السطحية تنظيف، طلاء الزنك، طلاء النيكل، طلاء الفضة، حسب الطلب
شهادة متوافقة مع بنفايات
قطر عرقوب 0.8-10 ملم
تسامح +/-0.05 ملم
طلب مناسبة للاستخدام في مختلف الصناعات، بما في ذلك السيارات والفضاء والكهرباء والإلكترونيات، إلخ.
ضبط الجودة يضمن فحص المجموعة الكاملة بنسبة 100% من خلال الإنتاج أن كل منتج يلبي معايير ISO، مما يضمن منتجات عالية الجودة.



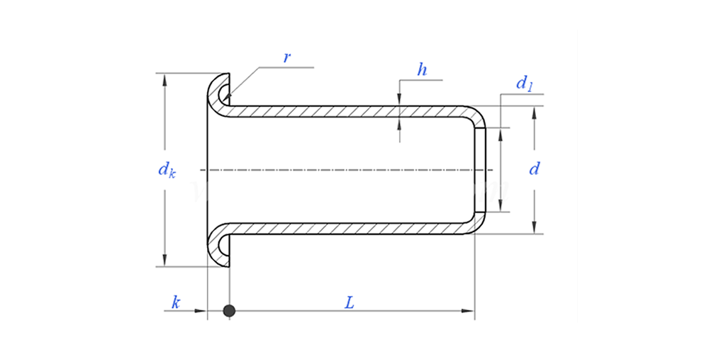
رسم برشام العيينة على النحو التالي:


ميزة وتطبيق برشام العيينة

يمكنك العثور على برشام العيينة في العديد من الأشياء اليومية. يتم استخدامه في الأحذية للأربطة وفي الحقائب للأشرطة. هذا الجزء الصغير مهم جدًا أيضًا في مجال الإلكترونيات والسيارات. إنها تحمل المواد المختلفة معًا بقوة. يُعد برشام العيينة حلاً بسيطًا ولكن موثوقًا به للعديد من احتياجات التجميع.


تفاصيل إنتاج برشام العيينة

معلومات التعبئة

التعليمات:

Q1: ما هو موك الخاص بك لبرشام العيينة؟

موك للمسامير هو 20,000 قطعة.


Q2: هل يمكنك تصميم التصميم باستخدام الرسم لدينا؟

نعم، معظم المسامير الأنبوبية لدينا مصممة خصيصًا وفقًا لرسومات العميل.


Q3: هل يمكنك تقديم عينات مجانية من المسامير المجوفة؟

يمكننا تقديم عينات مجانية للحجم الموجود لدينا في المخزون، ولكن العملاء سيدفعون الرسوم السريعة.


س 4: ما هو وقت التسليم الخاص بك؟

حجم المسامير المتوفرة في المخزون: 3-5 أيام، المسامير غير القياسية: 15-25 يومًا. سنقوم بالتسليم في أقرب وقت ممكن مع ضمان الجودة.


س 5: نوعية المنتجات الخاصة بك؟

تمتلك الشركة معدات إنتاج واختبار متقدمة. سيتم فحص كل المنتجات بنسبة 100% من قبل قسم مراقبة الجودة لدينا قبل الشحن.


س 6: لماذا نختار تقنية Nuote؟

1. نحن نحترم شروط العميل لحماية مشاريع خصوصية العملاء.

2. جودة عالية وبأسعار جذابة

3. مهلة سريعة

4. صفقة سعيدة وصدق للعملاء والشريك

5. إعلان مبيعات احترافي يرد على استفسارك خلال 8 ساعات.

6. تُباع منتجات وخدمات Nuote إلى أكثر من 70 دولة تتمتع بسمعة طيبة


الكلمات الساخنة: برشام العيينة، الصين برشام العيينة، الشركة المصنعة برشام العيينة
الفئة ذات الصلة
إرسال استفسار
لا تتردد في تقديم استفسارك في النموذج أدناه. سوف نقوم بالرد عليك خلال 24 ساعة.
X
نحن نستخدم ملفات تعريف الارتباط لنقدم لك تجربة تصفح أفضل، وتحليل حركة مرور الموقع، وتخصيص المحتوى. باستخدام هذا الموقع، فإنك توافق على استخدامنا لملفات تعريف الارتباط. سياسة الخصوصية