العيينة والغسالة

العيينة والغسالة

يمكنك العثور على العيينة والغسالة في العديد من العناصر اليومية. وهي عبارة عن أجزاء معدنية صغيرة. العيينة تشبه حلقة صغيرة، والحلقة عبارة عن قرص مسطح. يتم ضغطها معًا لإنشاء ثقب قوي وناعم في مواد مثل القماش أو البلاستيك. هذا يمنع المادة من التمزق. في الصين، تقوم شركة Nuote Metals بتصنيع هذه الأجزاء الصغيرة ولكن المفيدة. نحن ننتج العديد من أنواع العيينة والغسالة لوظائف مختلفة.

إرسال استفسار

وصف المنتج

مقدمة من العيينة والغسالة

ما يجعل العيينة والغسالة مفيدة للغاية هو مدى بساطتها. يمكنك وضع العيينة من خلال ثقب في المادة. ثم تقوم بوضع الغسالة على الظهر. تقوم الآلة بالضغط عليهم، وضغط القطع معًا. يؤدي هذا إلى قفل المادة بإحكام بينهما. والنتيجة هي ثقب نظيف وقوي لا يبلى بسهولة. وبسبب هذا التصميم البسيط، فإن العيينة والغسالة تعتبر حلاً موثوقًا للغاية.


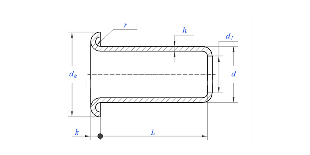
رسم العيينة والغسالة على النحو التالي:

عرض تطبيق العيينة والغسالة:

معلمة العيينة والغسالة (المواصفات)

مادة النحاس
المعالجة السطحية تنظيف، طلاء الزنك، طلاء النيكل، طلاء الفضة، حسب الطلب
نوع الرأس مسامير صلبة ذات رأس مستدير
شهادة متوافقة مع بنفايات
قطر عرقوب 0.8-8 ملم
تسامح +/-0.05 ملم
طلب مناسبة للاستخدام في مختلف الصناعات، بما في ذلك السيارات والفضاء والكهرباء والإلكترونيات، إلخ.
ضبط الجودة يضمن فحص المجموعة الكاملة بنسبة 100% من خلال الإنتاج أن كل منتج يلبي معايير ISO، مما يضمن منتجات عالية الجودة.




ميزة وتطبيق العيينة والغسالة

من الأمثلة الجيدة على المكان الذي ترى فيه العيينة والغسالة على علبة الزيت. تحتوي العديد من علب الزيت على فوهة معدنية صغيرة للصب. يتم استخدام هذا الصنبور كثيرًا ويمكن أن يتمزق بسهولة. ولكن إذا نظرت عن كثب، فغالبًا ما سترى حلقة معدنية صغيرة تعزز الفتحة. هذا هو العيينة والغسالة في العمل. فهو يجعل الصنبور قويًا ويمنع التسربات، بحيث يدوم الزيت لفترة طويلة. إنه استخدام مثالي لهذا الزوج البسيط من الأجزاء.


تفاصيل إنتاج العيينة والغسالة

معلومات التعبئة

التعليمات:

Q1: ما هو موك الخاص بك للعيينة والغسالة؟

موك للمسامير هو 20,000 قطعة.


Q2: هل يمكنك تصميم التصميم باستخدام الرسم لدينا؟

نعم، معظم المسامير الأنبوبية لدينا مصممة خصيصًا وفقًا لرسومات العميل.


Q3: هل يمكنك تقديم عينات مجانية من المسامير المجوفة؟

يمكننا تقديم عينات مجانية للحجم الموجود لدينا في المخزون، ولكن العملاء سيدفعون الرسوم السريعة.


س 4: ما هو وقت التسليم الخاص بك؟

حجم المسامير المتوفرة في المخزون: 3-5 أيام، المسامير غير القياسية: 15-25 يومًا. سنقوم بالتسليم في أقرب وقت ممكن مع ضمان الجودة.


س 5: نوعية المنتجات الخاصة بك؟

تمتلك الشركة معدات إنتاج واختبار متقدمة. سيتم فحص كل المنتجات بنسبة 100% من قبل قسم مراقبة الجودة لدينا قبل الشحن.


س 6: لماذا نختار تقنية Nuote؟

1. نحن نحترم شروط العميل لحماية مشاريع خصوصية العملاء.

2. جودة عالية وبأسعار جذابة

3. مهلة سريعة

4. صفقة سعيدة وصدق للعملاء والشريك

5. إعلان مبيعات احترافي يرد على استفسارك خلال 8 ساعات.

6. تُباع منتجات وخدمات Nuote إلى أكثر من 70 دولة تتمتع بسمعة طيبة


الكلمات الساخنة: العيينة والغسالة، العيينة والغسالة في الصين، العيينة والغسالة Manufactuer
الفئة ذات الصلة
إرسال استفسار
لا تتردد في تقديم استفسارك في النموذج أدناه. سوف نقوم بالرد عليك خلال 24 ساعة.
X
نحن نستخدم ملفات تعريف الارتباط لنقدم لك تجربة تصفح أفضل، وتحليل حركة مرور الموقع، وتخصيص المحتوى. باستخدام هذا الموقع، فإنك توافق على استخدامنا لملفات تعريف الارتباط. سياسة الخصوصية