الثقوب التمهيد

الثقوب التمهيد

نحن نصنع ثقوب الحذاء كل يوم هنا في Nuote Metals في دونغقوان. الثقوب هي الحلقات المعدنية القوية التي تراها على الأحذية. الأربطة تمر من خلالها. نحن نصنع ثقوب الحذاء من مواد صلبة. إنهم بحاجة إلى أن يستمروا لفترة طويلة. نحن ننتجها بأحجام وتشطيبات مختلفة. بعضها لامعة، وبعضها غير لامع. جميعها مصنوعة لتكون متينة.

إرسال استفسار

وصف المنتج

مقدمة فتحات التمهيد

ثقوب التمهيد لها وظيفة مهمة جدًا. أنها تجعل ثقوب الدانتيل أقوى. وبدونها، سوف تتمزق الثقوب بسهولة. عندما تقوم بسحب الأربطة بإحكام، فإن فتحات الحذاء تتحمل الضغط. كما أنها تساعد الأربطة على التحرك بسلاسة. وهذا يجعل من السهل ارتداء حذائك وخلعه.


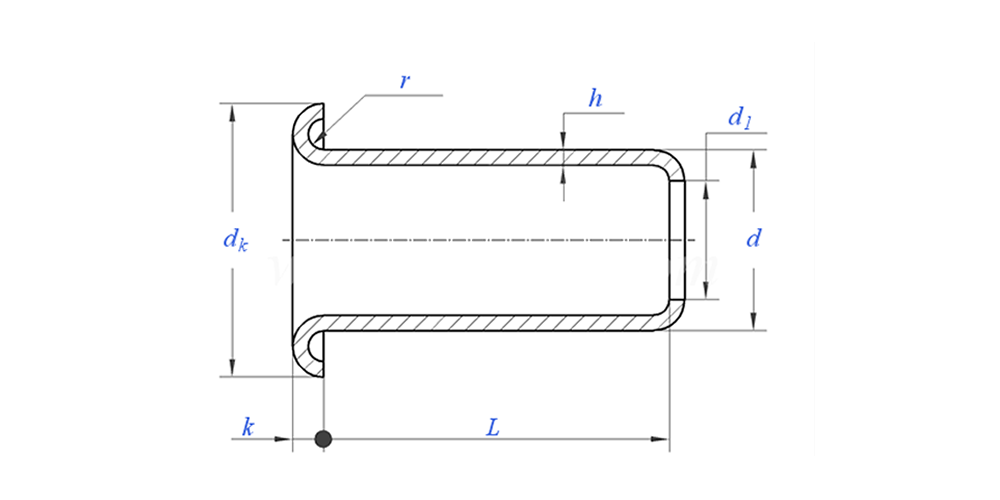
رسم ثقوب التمهيد على النحو التالي:


معلمة فتحات التمهيد (المواصفات)



مادة النحاس، الصلب، الألومنيوم، الفولاذ المقاوم للصدأ، النحاس
المعالجة السطحية تنظيف، طلاء الزنك، طلاء النيكل، طلاء الفضة، حسب الطلب
شهادة متوافقة مع بنفايات
قطر عرقوب 0.8-10 ملم
تسامح +/-0.05 ملم
طلب مناسبة للاستخدام في مختلف الصناعات، بما في ذلك السيارات والفضاء والكهرباء والإلكترونيات، إلخ.
ضبط الجودة يضمن فحص المجموعة الكاملة بنسبة 100% من خلال الإنتاج أن كل منتج يلبي معايير ISO، مما يضمن منتجات عالية الجودة.




ميزة وتطبيق فتحات التمهيد

يمكنك العثور على فتحات الحذاء في العديد من أنواع الأحذية. أحذية العمل بها. أحذية المشي لمسافات طويلة استخدامها. الأحذية العسكرية في حاجة إليها أيضا. حتى الأحذية الجلدية العصرية تحتوي على فتحات للأحذية. أنها تساعد على الحفاظ على قدميك آمنة ومريحة. بدون فتحات الحذاء الجيدة، لن تتناسب الأحذية بشكل صحيح أو تدوم لفترة طويلة.


تفاصيل إنتاج فتحات الحذاء


التعليمات:

Q1: ما هو موك الخاص بك لثقوب التمهيد؟

موك للمسامير هو 20,000 قطعة.


Q2: هل يمكنك تصميم التصميم باستخدام الرسم لدينا؟

نعم، معظم المسامير الأنبوبية لدينا مصممة خصيصًا وفقًا لرسومات العميل.


Q3: هل يمكنك تقديم عينات مجانية من المسامير المجوفة؟

يمكننا تقديم عينات مجانية للحجم الموجود لدينا في المخزون، ولكن العملاء سيدفعون الرسوم السريعة.


س 4: ما هو وقت التسليم الخاص بك؟

حجم المسامير المتوفرة في المخزون: 3-5 أيام، المسامير غير القياسية: 15-25 يومًا. سنقوم بالتسليم في أقرب وقت ممكن مع ضمان الجودة.


س 5: نوعية المنتجات الخاصة بك؟

تمتلك الشركة معدات إنتاج واختبار متقدمة. سيتم فحص كل المنتجات بنسبة 100% من قبل قسم مراقبة الجودة لدينا قبل الشحن.


س 6: لماذا نختار تقنية Nuote؟

1. نحن نحترم شروط العميل لحماية مشاريع خصوصية العملاء.

2. جودة عالية وبأسعار جذابة

3. مهلة سريعة

4. صفقة سعيدة وصدق للعملاء والشريك

5. إعلان مبيعات احترافي يرد على استفسارك خلال 8 ساعات.

6. تُباع منتجات وخدمات Nuote إلى أكثر من 70 دولة تتمتع بسمعة طيبة


الكلمات الساخنة: ثقوب التمهيد، ثقوب التمهيد في الصين، الشركة المصنعة لثقوب التمهيد
الفئة ذات الصلة
إرسال استفسار
لا تتردد في تقديم استفسارك في النموذج أدناه. سوف نقوم بالرد عليك خلال 24 ساعة.
X
نحن نستخدم ملفات تعريف الارتباط لنقدم لك تجربة تصفح أفضل، وتحليل حركة مرور الموقع، وتخصيص المحتوى. باستخدام هذا الموقع، فإنك توافق على استخدامنا لملفات تعريف الارتباط. سياسة الخصوصية