ثقوب الراية

ثقوب الراية

نحن المعادن Nuote من دونغقوان، الصين. نحن نصنع ثقوبًا لافتة لللافتات الإعلانية. لقد أنتج مصنعنا ثقوبًا لافتة لسنوات عديدة. نحن نستخدم مواد قوية لصنع ثقوب اللافتة الخاصة بنا. النحاس والصلب هي المواد الرئيسية لدينا. نحن نصنع ثقوبًا لافتة بأشكال مختلفة الأحجام. تستخدم اللافتات الصغيرة ثقوبًا صغيرة للشعار. تحتاج اللافتات الكبيرة إلى ثقوب لافتة كبيرة. كل يتم فحص العيينة لافتة من قبل عمالنا قبل الشحن. يتأكدون من أن كل قطعة مثالية. تستخدم العديد من شركات الإعلان ثقوب اللافتة الخاصة بنا. إنهم يحبون الجودة والسعر الجيد. يمكننا أن نجعل عينات سريعة للعملاء الجدد.

إرسال استفسار

وصف المنتج

مقدمة ثقوب البانر

ثقوب اللافتة عبارة عن حلقات معدنية لللافتات. يتم وضعها على طول حواف اللافتات. تمر الحبال أو الخيوط عبر فتحات اللافتة هذه. فتحات اللافتة تجعل من السهل تعليق اللافتات. أنها تحمي فتحات اللافتة من التمزق. ثقوب لافتة جيدة تبقى قوية في الرياح والمطر. لا تصدأ أو تنكسر بسهولة. تركيب ثقوب البانر يحتاج إلى آلة خاصة. تقوم الآلة بضغط كل ثقب لللافتة في مادة اللافتة. ثم يتم تثبيت ثقب اللافتة بثبات في مكانه. وهذا يجعل اللافتات جاهزة للاستخدام في الهواء الطلق.


معلمة ثقوب الشعار (المواصفات)



مادة النحاس، الصلب، الألومنيوم، الفولاذ المقاوم للصدأ، النحاس
المعالجة السطحية تنظيف، طلاء الزنك، طلاء النيكل، طلاء الفضة، حسب الطلب
شهادة متوافقة مع بنفايات
قطر عرقوب 0.8-10 ملم
تسامح +/-0.05 ملم
طلب مناسبة للاستخدام في مختلف الصناعات، بما في ذلك السيارات والفضاء والكهرباء والإلكترونيات، إلخ.
ضبط الجودة يضمن فحص المجموعة الكاملة بنسبة 100% من خلال الإنتاج أن كل منتج يلبي معايير ISO، مما يضمن منتجات عالية الجودة.



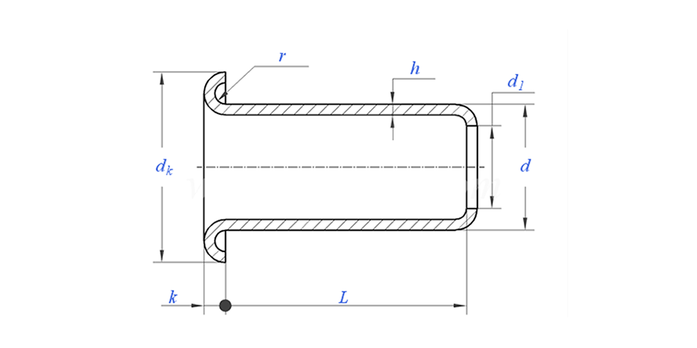
رسم ثقوب البانر على النحو التالي:

عرض تطبيق ثقوب البانر:

ميزة وتطبيق ثقوب البانر

يتم استخدام ثقوب الراية في كل مكان. تحتاج لافتات المتجر إلى ثقوب لافتة للتعليق. تستخدم لافتات الأحداث ثقوبًا للأعمدة. تحتوي لافتات الشوارع على ثقوب للحبال. تحتاج اللافتات الرياضية إلى ثقوب لافتة للملاعب. تستخدم لافتات المهرجان ثقوب الشعارات أيضًا. حتى اللافتات الداخلية تحتاج في بعض الأحيان إلى ثقوب لافتة. تساعد فتحات اللافتة هذه على بقاء اللافتات لفترة أطول وتبدو أنيقة. هذا هو سبب أهمية فتحات اللافتة الجيدة للإعلان. يثق عملاؤنا في فتحات اللافتات الخاصة بنا من أجل لافتاتهم. إنهم يعلمون أن ثقوب اللافتة الخاصة بنا تعمل بشكل جيد في جميع الأحوال الجوية.


تفاصيل إنتاج ثقوب البانر

معلومات تعبئة ثقوب البانر

التعليمات:

Q1: ما هو موك الخاص بك لثقوب البانر؟

موك للمسامير هو 20,000 قطعة.


Q2: هل يمكنك تصميم التصميم باستخدام الرسم لدينا؟

نعم، معظم المسامير الأنبوبية لدينا مصممة خصيصًا وفقًا لرسومات العميل.


Q3: هل يمكنك تقديم عينات مجانية من المسامير المجوفة؟

يمكننا تقديم عينات مجانية للحجم الموجود لدينا في المخزون، ولكن العملاء سيدفعون الرسوم السريعة.


س 4: ما هو وقت التسليم الخاص بك؟

حجم المسامير المتوفرة في المخزون: 3-5 أيام، المسامير غير القياسية: 15-25 يومًا. سنقوم بالتسليم في أقرب وقت ممكن مع ضمان الجودة.


س 5: نوعية المنتجات الخاصة بك؟

تمتلك الشركة معدات إنتاج واختبار متقدمة. سيتم فحص كل المنتجات بنسبة 100% من قبل قسم مراقبة الجودة لدينا قبل الشحن.


س 6: لماذا نختار تقنية Nuote؟

1. نحن نحترم شروط العميل لحماية مشاريع خصوصية العملاء.

2. جودة عالية وبأسعار جذابة

3. مهلة سريعة

4. صفقة سعيدة وصدق للعملاء والشريك

5. إعلان مبيعات احترافي يرد على استفسارك خلال 8 ساعات.

6. تُباع منتجات وخدمات Nuote إلى أكثر من 70 دولة تتمتع بسمعة طيبة


الكلمات الساخنة: ثقوب الراية، ثقوب الراية في الصين، الشركة المصنعة لثقوب الراية
الفئة ذات الصلة
إرسال استفسار
لا تتردد في تقديم استفسارك في النموذج أدناه. سوف نقوم بالرد عليك خلال 24 ساعة.
X
نحن نستخدم ملفات تعريف الارتباط لنقدم لك تجربة تصفح أفضل، وتحليل حركة مرور الموقع، وتخصيص المحتوى. باستخدام هذا الموقع، فإنك توافق على استخدامنا لملفات تعريف الارتباط. سياسة الخصوصية